VS500 Series Servo Drive System
Pulse protocol
・ Supports all kinds of motion control cards and PLC.
・ Supports Modbus RTU
・ Pulse input type: PNP and NPN single-ended, high-speed differential.
- Overview
- Recommended Products
High Sampling Frequency、High Bandwidth
● Current Loop Performance: 1.6μs sampling period.625kHz high sampling frequency and low loop delay
● Speed loop Bandwidth:> 3300Hz Position Loop Tuning:< 5ms
● Position Error Tuning:< 100 encoder units (23-bit encoder)
250μs CommunicationReal-time Synchronization Cycle
●Communication protocol: EtherCAT, Profinet IRT.
●Rt Communication Bandwidth:100M bandwidth of real-time Ethernet.
● Synchronization Period:250μs DC synchronization period or integer multiple of 500μs IRT synchronization period.
Resolution up to 0.15 arcseconds
●Standard Configuration:23-bit multi-turn absolute optical encoder
● Resolution up to 1/8388608 of revolution, corresponding to 0. 15 arcseconds.
● Repeatability of up to 15 arcseconds.
Product Details Description









VM motor









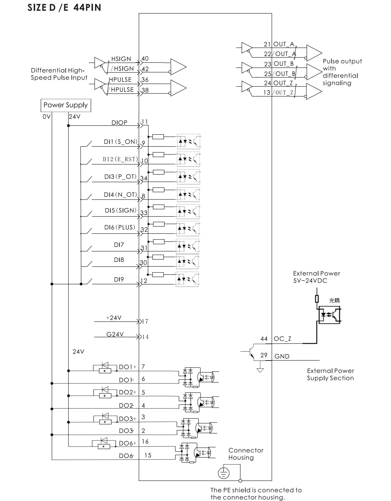
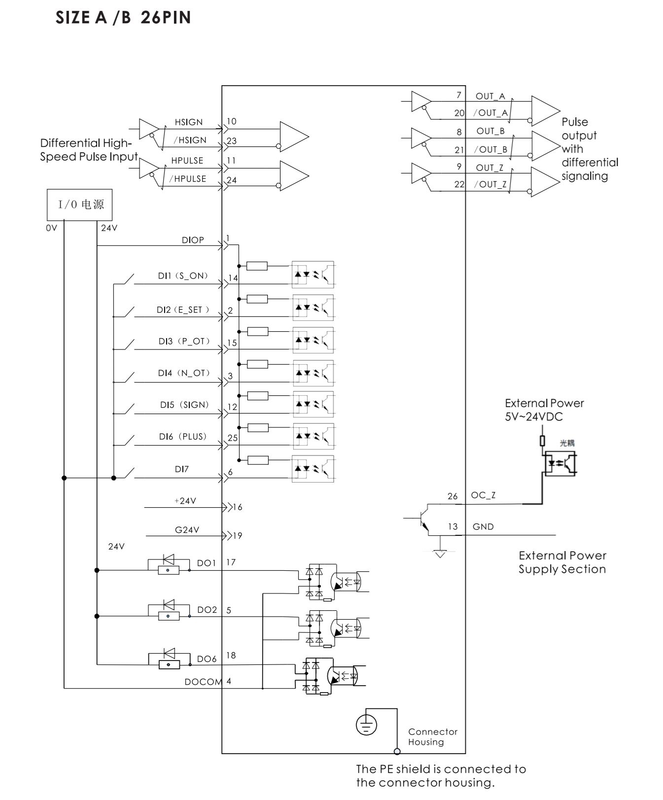
VS500 Terminal Wiring Diagram








